一、標的基本信息

二、標的優勢
(一)地理位置較好,交通便利
商鋪位于合肥市肥西縣核心板塊,緊鄰政務區、高新區兩大城市經濟引擎。
軌道交通:附近有地鐵4號線(桃花潭站);繁華大道、玉蘭大道、集賢路、方興大道等城市主要道路環伺,20分鐘直達天鵝湖商圈、奧體中心。
公交網絡:附近有城振路口、繁恒路口、立恒工業廣場等多個公交車站,多路公交通達,可直達肥西縣城中心、政務區、奧體中心等城市熱點區域,滿足日常出行多元需求。
城際交通:距離合肥站、合肥新橋國際機場約40分鐘車程、距離合肥南站約30分鐘車程、距離肥西站約15分鐘車程,快速通達周邊城市。
(二)商業生態與自然環境雙優賦能
周邊環繞光明觀瀾公館、和昌中央悅府、順美家園等住宅集群,人流量較好,為商業配套提供穩定客群基礎。
桃花潭公園稀缺景觀配套:西側緊鄰38萬㎡桃花潭公園(步行約500米直達),園內設有親水棧道、林蔭步道及休閑廣場,為辦公人群提供午間休憩、健身打卡的自然空間。
產業高地:肥西作為合肥西南部副中心,重點布局“5+X產業集群”,形成高端產業集聚效應。標的資產緊鄰桃花智谷創業園,周邊中徽工業園、繁華創谷創業園等園區密布,商務資源互通性強,企業聯動合作機會豐富。
(三)精裝配置與空間優勢兼具
室內已進行精裝修,沿用現代簡約設計風格,選材考究,整體空間保持良好使用狀態,即買即用無需二次改造。
一樓有獨立入戶門,可直達辦公區域,兼顧私密性與通行效率,適配企業形象展示與商務接待需求;四層更有約300㎡露天陽臺,空間開闊通透,可打造休閑區或露天會議場景。
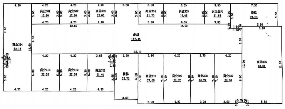
三、相關圖片

資產位置

三層平面圖,整層共660.97平方米(14間)

四層平面圖,整層共325.1平方米(7間)

四、聯系我們
標的勘察聯系人:王經理;電話:19005655046
更多優質資產信息,請關注建工不動產微信公眾號。